热门产品

VOCs治理技术 |行业(七):煤化工甲醇拱顶罐VOCs治理——甲醇三级冷凝回收
甲醇的合成在新型煤化工lingyu是不可忽略的一环,仅2015 年我国甲醇总产能达到80260 kt/a 规模以上的企业有 217 家,youxiao产能约70000 kt/a,占比超过quanqiu的一半。现有甲醇装置主要集中在华北、华东、西北地区,其中宁夏、内蒙古包头、陕西榆林等地均占比较大。

对应甲醇的储存就运输就很频繁,甲醇的蒸气压大,存储及运输(装车)过程的甲醇逸散量也非常大,关于甲醇储罐及装车的甲醇回收(VOCs治理),本站在早前已贴出文章VOCs治理技术 |行业(二):煤化工行业甲醇储罐冷凝回收及蒸汽平衡系统解决方案。

在煤化工集聚区,很多用户选择水洗+活性炭工艺对甲醇储罐及装车尾气进行处理,思路和原理自然是无可厚非,但要baozheng持续性的达标却不是那么容易。

很多地区甲醇储罐由固定顶改为内浮顶,减少甲醇的挥发损失,但不少地区的甲醇罐仍为拱顶罐,由于工艺设计要求,不少企业的部分罐(甲醇中间罐)是在持续性有甲醇进罐的,也就说是在一直进行大呼吸的,罐顶的甲醇浓度其实可以用安托因方程模拟出来,即在平均储存温度20-30℃下计算甲醇的饱和蒸汽浓度,这个数值可以作为参考。

根据方程,模拟出来的数值如上,可见如甲醇存储温度为25℃下,其饱和蒸汽浓度可以达到217g/m3,这就不难理解①为何做LDAR的朋友把FID探头在呼吸口测时直接爆表(某款FID爆表浓度为>10万ppm),②也不难理解你爬上甲醇罐顶时的艰难呼吸,③更不难理解某些企业将储罐废气收集后(还不是直接接管按照相关技术要求进行罐顶anquan配件改造后的收集)用水洗塔进行水洗,塔顶排出其仍是几千毫克每标立。这样的废气接入活性炭,根据活性炭的吸附饱和10-15%,结合设计时定的活性炭量,业主需要多长时间更换一次活性炭很明了,这个频率会很高,吸附甲醇的活性炭为危废,给企业造成了多大的负担。

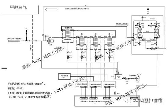
根据中石化洛阳院在2016年发布的《石油化工储运罐区 VOCs 治理项目油气连通工艺实施方案及anquan措施指导意见》的127号函,要对罐顶进行anquan配件改造。改造后的收集管路可接入sanji冷凝系统,从0-3,、-35、-80℃直接深冷冷凝,国内大部分的煤制甲醇企业储罐大小呼吸甲醇尾气处理量一般不超过300m3/h,大多数在50-100m3/h(投资适中,甚至在某些小气量的项目上是水洗+活性炭工艺的投资的一半),将甲醇尾气直接冷到-80℃,此时甲醇的饱和蒸汽浓度理论计算为35mg,满足GB31571中规定的50mg排放标准要求。另,在整体撬装设备后在新增一套活性炭吸脱附(变压脱附,寿命2-3年)系统,quebao在工艺波动等非正常工况下也可持续性达标排放。具体工艺流程可见本站文章VOCs治理技术 |行业(二):煤化工行业甲醇储罐冷凝回收及蒸汽平衡系统解决方案。






